Время работы:
Пн-Пт: 8:00 - 19:00
Рассчитаем заявку за 15 минут
Когда в спецификации указано «фланец 100 мм», речь обычно идет не о наружном размере детали, а об условном проходе - DN 100 или Ду 100. Это одно из базовых обозначений в трубопроводной арматуре, но для правильного подбора одного этого параметра недостаточно. У детали есть и другие характеристики: тип, стандарт, номинальное давление, исполнение уплотнительной поверхности, материал и присоединительные размеры.
Ду 100 или DN 100 - это условный диаметр присоединения. Он используется для согласования элементов трубопровода между собой: трубы, запорной арматуры, фильтров, насосов, патрубков. Иными словами, DN 100 показывает, к какому типоразмеру трубопроводной линии относится изделие.
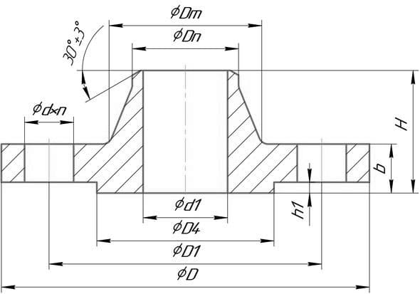
Важно не путать DN 100 с фактическими размерами детали. У нее есть:
наружный диаметр;
внутренний диаметр;
толщина;
межосевое расстояние отверстий;
количество и диаметр отверстий под крепеж.
Поэтому формулировка «фланец 100 мм» без уточнений недостаточна для заказа. Два фланца 100 мм могут отличаться по наружному диаметру, толщине, количеству отверстий и рабочему давлению.

Фланцы этого типоразмера используют в трубопроводах, где нужно разъемное соединение. Такое соединение позволяет:
присоединять арматуру и оборудование без неразъемной сварки;
упрощать обслуживание узла;
демонтировать участок при ремонте;
заменять прокладки и крепеж без переделки всей линии.
На практике чаще всего встречаются три группы.
Плоские приварные
Это один из самых популярных типов. Их используют в типовых трубопроводных системах, где не требуется особая конструкция соединения. Они относительно просты по форме и широко применяются в коммунальных и промышленных сетях.
Воротниковые
У них есть конический переход к трубе, за счет чего нагрузка распределяется более равномерно. Такие детали применяют там, где важны прочность соединения, устойчивость к нагрузкам и надежность работы при более сложных режимах.
Свободные
Они используются вместе с приварным кольцом или отбортовкой. Их выбирают в тех случаях, когда нужно упростить монтаж, особенно при совмещении отверстий под болты или при работе с определенными материалами труб.
При выборе важно учитывать не только тип конструкции, но и то, под какой стандарт выполнено изделие.
Таблица: Типы фланцев DN100 и их применения
|
Тип фланца |
Применение |
Характеристики |
Преимущества |
Недостатки |
|---|---|---|---|---|
|
Плоский приварной |
Для стандартных трубопроводных соединений, водоснабжение, отопление |
Простой конструктив, предназначен для соединения труб |
Удобен для монтажа, экономичный, универсален |
Не подходит для высоких давлений и температур |
|
Воротниковый |
Для трубопроводов с высоким давлением, температурой или химической нагрузкой |
Имеет расширенный воротник для усиленной сварки и прочности соединения |
Высокая прочность, герметичность, устойчивость к нагрузкам |
Дорогой, сложный монтаж |
|
Свободный |
Применяется в промышленных трубопроводах с агрессивной средой |
Простая конструкция с возможностью легкой замены прокладок |
Высокая герметичность, легко заменяем при ремонте |
Большие габариты, высокие требования к герметичности |
|
Ротационный |
Для трубопроводов с высокой скоростью потока и перемещением жидкостей |
Подходит для использования в системах с высоким оборотом жидкости |
Обеспечивает герметичность при высоких оборотах жидкости |
Требует точности при установке |
|
Плоский с фланцевым соединением |
Для трубопроводных систем с возможностью многоразового использования и демонтажа |
Обеспечивает возможность быстрого монтажа и демонтажа |
Удобство монтажа и демонтажа, высокая скорость обслуживания |
Требует дополнительных прокладок для герметизации |
Для одного и того же Ду 100 могут выпускаться фланцы под разное давление: например, PN10, PN16, PN25. Это означает, что у них будут отличаться размеры, толщина и крепежные параметры. Если подобрать деталь только по диаметру, но не учесть давление, соединение может не совпасть с ответной частью.
В документации часто встречаются фланцы по ГОСТ 33259-2015, а также по более ранним ГОСТ 12820, 12821 и другим. На практике это важно, потому что старые и новые обозначения продолжают использоваться параллельно. При заказе лучше сразу уточнять помимо диаметра конкретный стандарт.
|
Параметр |
ГОСТ 12820-80 |
ГОСТ 33259-2015 |
|---|---|---|
|
Применение |
Для стальных фланцев, используемых в трубопроводах на низкие давления (до 16 бар) |
Для стальных фланцев, предназначенных для работы при высоких давлениях и температурах (до 40 бар) |
|
Давление (PN) |
PN 6, PN 10, PN 16 |
PN 10, PN 16, PN 25, PN 40 |
|
Типы фланцев |
Плоский, с воротниковым соединением |
Плоский, воротниковый, свободный, фланец с прокладкой |
|
Материалы |
Сталь углеродистая, низколегированная |
Сталь углеродистая, нержавеющая, легированная |
|
Температурный диапазон |
От -40°C до +300°C |
От -50°C до +600°C |
|
Применение в промышленных сферах |
Водоснабжение, отопление, газоснабжение |
Химическая промышленность, нефтехимическая отрасль, высокотемпературные системы |
|
Требования к монтажу |
Стандартное соединение для трубопроводов |
Более высокие требования к герметичности и прочности соединений |
|
Контроль качества |
Основной контроль по внешнему виду и стандартам |
Контроль качества по ГОСТ и дополнительным характеристикам |
|
Стоимость |
Экономичный вариант для стандартных систем |
Более дорогие, предназначены для ответственных и специализированных трубопроводов |

Нужно понимать, какой именно фланец требуется: плоский, воротниковый, свободный. Кроме того, имеет значение исполнение уплотнительной поверхности - от него зависит совместимость с прокладкой и ответным фланцем.
Для DN 100 могут использоваться углеродистые, низколегированные, нержавеющие стали. Материал выбирают с учетом рабочей среды, температуры, требований к коррозионной стойкости, материала сопрягаемых деталей.
Даже если DN и PN совпадают, желательно проверить чертеж или таблицу размеров: наружный диаметр, толщину, отверстия под крепеж, межосевое расстояние. Это особенно важно, если изделие ставится не на новую линию, а взамен уже установленного.
1. Считать, что «фланец 100 мм» уже полностью описывает изделие. На самом деле это только один из параметров.
2. Не различать DN и реальные размеры детали. Из-за этого можно заказать фланец, который формально относится к Ду 100, но не подойдет к конкретному узлу.
3. Не учитывать давление. Для DN 100 при разных PN размеры крепежа и геометрия отличаются.
4. Не уточнять стандарт и тип исполнения. Это особенно критично, если закупка идет под уже существующий трубопровод или оборудование.
Если нужно подобрать фланец DN 100 без лишних уточнений на этапе монтажа, обычно достаточно запросить:
DN / Ду;
PN / Ру;
тип;
стандарт;
материал;
исполнение уплотнительной поверхности;
чертеж или основные присоединительные размеры;
данные по трубе, арматуре или ответному фланцу.
Фланец диаметром 100 мм - это не самостоятельное описание изделия, а только указание на типоразмер по условному проходу. Для корректного выбора нужно учитывать давление, стандарт, тип конструкции, материал и размеры присоединения. Чем точнее исходные данные в заявке, тем ниже риск ошибки при закупке и монтаже.
Если хотите, я сразу сделаю вторую версию этой статьи - еще более техническую, в стиле справочного материала для B2B-сайта.